QR系列直线导轨采用DB(45°-45°)接触系统,能承受上下和左右方向的负荷,让直线导轨具有超高负载能力。在相同工作负荷的要求下,QR线轨相较于滚珠型线轨可有较小的体积,即可均匀承受高负载。
全国服务热线:180-1551-8979
在线咨询优势特点:QR系列直线导轨采用DB(45°-45°)接触系统,能承受上下和左右方向的负荷,让直线导轨具有超高负载能力。在相同工作负荷的要求下,QR线轨相较于滚珠型线轨可有较小的体积,即可均匀承受高负载。 |
HIWIN上银QR静音式滚柱型直线导轨,除了具备滚柱型直线导轨之四方向高刚性与重负荷能力之外,并采SynchMotionTM技术搭载滚柱同步联结器,可有效降低运转时噪音、滚动摩擦阻力、提升运转平顺性并具备超长使用寿命。因此QR 系列直线导轨具有更广泛的产业应用性,适用于高速、宁静与高刚性需求的产业。

(1) 四方向高负荷承载能力
QR系列直线导轨采用DB(45°-45°)接触系统,能承受上下和左右方向的负荷,让直线导轨具有超高负载能力。在相同工作负荷的要求下,QR线轨相较于滚珠型线轨可有较小的体积,即可均匀承受高负载。
(2) 低噪音设计
利用滚柱同步联结器可使滚柱均匀等间隔的排列,使相邻滚柱间的撞击金属声消失,尖锐的高频声音强度有效降低,总和的声音强度与旧有系列比较在各个速度域有效降低约3分贝。
(3) 提升运动平顺度
传统不具同步联结器之直线导轨开始运行时,滚动体会因推挤而造成连锁的来回碰撞,使得摩擦阻力变动起伏剧烈。而采用SynchMotionTM技术的QR系列直线导轨由于具有滚柱同步联结器,除了有效防止滚柱进入负荷区之偏摆现象,所有滚柱被均匀的间隔排列进行循环运动,且滚柱间并无来回的碰撞,在保持一定的运动惯性下,摩擦阻力的变动幅度能有效的减少。
(4) 四方向皆具有超高刚性
QR 系列直线导轨除了藉由搭载专利设计之同步联结器以提升高速性能之外,并以滚柱型滚动体取代了滚珠,藉由滚柱与导轨与滑块的线接触方式,有效减少滚柱受负载时之弹性变形,不仅能大幅提升直线导轨的刚性值,更能在高速运行下维持高精度的加工。
产品规格说明:
QR系列分为非互换性及互换性型两种直线导轨,两者规格尺寸相同,主要差异点在于互换性型之滑块、导轨可单独互换使用,较便利,但其组合精度无法达到非互换性型之超精密级以上的精度,不过由于HIWIN互换性型之组合精度目前已达到一定的水平,对不需配对安装直线导轨的客户而言,是一项便利的选择。
直线导轨的产品规格型号主要标明直线导轨尺寸、型式、精度等级、预压等规格要求,以利订货时双方对产品的确认。

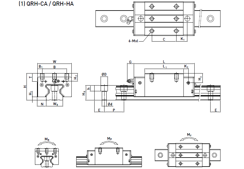
QR滑块型式

QR系列提供法兰型及四方型两种直线导轨,法兰型滑块在法兰的部位有加工安装螺丝孔可供安装,对于下锁的安装方式也可适用,其直线导轨组合高度低,承靠面积大,适用于承受力距负载的场所。四方型滑块宽度较小,适合有安装空间限制的设备,滑块上方安装螺丝孔可配合安装。
导轨型式

除了一般上锁式螺栓孔导轨外,QR系列亦提供下锁式螺栓孔导轨,方便客户安装使用。
精度等级
QR系列直线导轨的精度,分为高H级、精密P级、超精密SP级、超高精密UP级共四级,客户可依设备精度需求选用精度。
预压力

预压力是预先给与滚柱负荷力,亦即加大滚柱直径,利用滚柱与滚道之间负向间隙给与预压,此举能提高直线导轨刚性及消除间隙。QR系列滚柱直线导轨提供下列三种标准预压。
标准防尘配备代码

各防尘代码+滑块总长度

型号尺寸表:





